工厂研学 丨 尊龙时凯网络数字化智能工厂“黑科技”大揭秘
预约直播
乐享业务保障服务 丨 守护医疗业务连续稳定
预约直播
产品
< 返回主菜单
产品中心
产品
解决方案
< 返回主菜单
解决方案中心
行业
合作伙伴
返回主菜单
选择区域/语言

浅谈数据中心100G光模块

【100G光模块】建设25G/100G数据中心需要大量100G光模块,在网络建设成本中占比较高,100G光模块标准都有哪些,我们又该如何选择呢?本文为大家简单梳理下数据中心100G光模块标准以及封装格式。

  • 发布时间:2018-08-21

  • 点击量:

  • 点赞:

分享至

我想评论

传统数据中心主要基于10G网络架构,为了适应AI、深度学习、大数据计算等业务的规模部署,下一代数据中心架构正在向25G/100G网络架构演进,在国内已经看到BAT等互联网巨头都实现了规模部署。

建设25G/100G数据中心需要大量100G光模块,在网络建设成本中占比较高,100G光模块标准都有哪些,我们又该如何选择呢?今天就为大家简单梳理下数据中心100G光模块标准以及封装格式。


100G光模块标准组织

在开始分享光模块标准之前,先了解下光模块的标准化组织。对于光模块的定义主要是两个关键组织,即IEEE和MSA(Multi Source Agreement,多源协议),两者之间互补而又互相借鉴。

想必大家都知道IEEE是电子电气工程师协会,而802.3是IEEE下面的一个工作组,很多10G、40G、100G、400G的光模块标准都是由IEEE 802.3工作组提出的。

MSA是一种多供应商规范,相比IEEE算是一个民间的非官方组织形式,针对不同的光模块标准会形成不同的MSA协议,可以理解是产业内企业联盟行为。MSA除了定义光模块的结构封装(包括外形尺寸,电连接器,引脚分配等),也会定义电接口、光接口,从而形成完整的光模块标准。

很久以前光模块产业链很混乱,每个厂家都有各自的结构封装,开发的光模块有大有小,接口也是五花八门。为了解决这个问题,MSA多源协议应运而生,各厂家都遵循MSA提出的标准统一光模块的结构封装和相关接口,这就像手机充电口的标准化。针对100G,MSA定义的标准包括100G PSM4 MSA、100G CWDM4 MSA和100G Lambda MSA。

 

100G光模块标准

为了满足不同距离的100G互联场景,IEEE 以及MSA定义的100G标准超过十种,但是主流的是下面六种标准。

 

▲100G光模块主流标准

 

其中100GBASE开头的标准都是IEEE 802.3提出的。

 

 

如上图所示:

100GBASE-LR4名称中,LR表示long reach,即10Km,4表示四通道,即4*25G,组合在一起为可以传输10Km的100G光模块。

其中-R的命名规则如下:

▲-R名词解释

除了IEEE提出的100GBASE系列标准,为何MSA还提出了PSM4以及CWDM4标准呢?

100GBASE-SR4和100GBASE-LR4是IEEE定义的最常用的100G接口规范。但是对于大型数据中心内部互联场景,100GBASE-SR4 支持的距离太短,不能满足所有的互联需求,而100GBASE-LR4成本太高。因此,MSA为市场带来了中距离互联的解决方案,PSM4和CWDM4是这次革命的产物。

当然100GBASE-LR4的能力完全覆盖了CWDM4,但在2Km传输的场景下, CWDM4方案成本更低,更具竞争力。

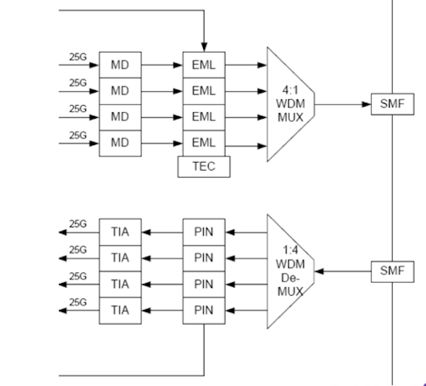
下图是100GBASE-LR4以及100G CWDM4的原理图:

 

▲ 100GBASE-LR4原理图

 

▲100G CWDM4原理图

 

LR4和CWDM4从原理上类似,都是通过光学器件MUX以及DEMUX将4条并行的25G通道波分复用到一条100G光纤链路上。不过两者存在几点区别:

LR4使用的光学MUX/DEMUX器件更贵

CWDM4定义的是20nm 的CWDM间隔,因为激光器的波长温漂特性大约是0.08nm/°C,0~70°C工作范围内的波长变化大约是5.6nm,通道本身也要留一些隔离带。

通道一:1264.5~1277.5nm

通道二:1284.5~1297.5nm

通道三:1304.5~1317.5nm

通道四:1324.5~1337.5nm

而LR4则定义了4.5nm的LAN-WDM间隔。

通道一:1294.53~1296.59nm

通道二:1299.02~1301.09nm

通道三:1303.54~1305.63nm

通道四:1308.09~1310.19nm

 

通道间隔越大,对光学MUX/DEMUX器件的要求就越低,可以节省成本。

 

LR4使用的激光器更贵,功耗更大

CWDM4使用DML(Direct Modulated Laser,直接调制激光器),而LR4使用EML(Electro-absorption Modulated Laser,电吸收调制激光器)。

DML是单颗激光器,而EML是两个器件,一颗是DML,另一颗是EAM调制器,合在一起叫做EML。DML的原理是通过调制激光器的注入电流来实现信号调制,由于注入电流的大小会改变激光器有源区折射率,造成波长漂移(啁啾)从而产生色散,做高速信号调制很困难,传的也不够远。10KM对于DML来说有点力不从心,只能上EML。

注:啁啾(Chirp)是指频率随时间而改变(增加或减少)的信号,这种信号听起来类似鸟鸣的啾声。

 

LR4需要额外增加TEC(Thermo Electric Cooler 半导体热电制冷器)

因为LR4的相邻通道之间只有4.5nm的间隔,所以激光器需要放到TEC上控温。电路上需要放置TEC Driver芯片,Laser也要集成到TEC材料上来做,这样一来,相比CWDM4,LR4的成本又有所增加。

基于以上三点,100GBASE-LR4标准的光模块成本更高,所以MSA提出的100G CWDM4标准很好地补充了100GBASE-LR4在2Km以内成本过高导致的空白

除CWDM4之外,PSM4也是一种中距离的传输方案,那么相比CWDM4,PSM4有何优劣势呢?

100G PSM4规范定义了8根单模光纤(4个发送和4个接收)的点对点100 Gbps链路,每个通道以25 Gbps的速率发送。每个信号方向使用四个相同波长且独立的通道。因此,两个收发器通常通过8光纤MTP / MPO单模跳线进行通信。PSM4的传输距离最大为500米。

 

▲PSM4原理图

 

简单总结一下,如下图所示,由于使用了波分复用器,所以CWDM4的光模块成本要高于PSM4光模块,不过CWDM4收发双向只需要两根单模光纤,远少于PSM4的8根单模光纤,随着距离的增加,PSM4方案的总成本上升得非常快。在实际应用中需要依据互联距离来决定使用PSM4还是CWDM4。

 

▲CWDM4 vs PSM4

 

聊完100G中长距光模块标准,再来看100G短距光模块。

100G短距光模块标准主要有100GBASE-SR10和100GBASE-SR4两种标准。当年为了满足市场上出现的100G需求, 100GBASE-SR10标准最早被提出且应用于100G的短距互联。

100GBASE-SR10标准使用10 x 10Gbps并行通道实现100Gbps点对点传输,电信号的速率是10G,光信号速率也是10G,采用NRZ的调制方式及64B/66B的编码方式。因为IEEE 802.3早在2010年提出100GBASE-SR10标准,当时交换机ASIC芯片(Application Specific Integrated Circuit)电接口最高只能支持10G,即CAUI-10(10通道 x 10Gbps)。

▲100GBASE-SR10 原理图

 

伴随着交换机ASIC芯片电接口速率从10Gpbs提升到25G bps,电接口标准从CAUI-10(10通道 x 10Gbps)升级到CAUI-4(4通道 x 25Gbps),通道从SR10的并行10通道减少到并行4通道,光模块的器件个数得以减少、成本得以降低、模块尺寸得以缩小、功耗得以降低。

光模块尺寸的减少使得交换机每1U空间可以提供的100G接口密度更大,基于以上的优势,目前100GBASE-SR4已经取代100GBASE-SR10成为目前主流的100G短距光模块标准。

 

▲100GBASE-SR4 原理图


100G光模块封装

仅有光模块的光接口以及电接口规范是不够的,还需要配套的结构封装才能算是完整的光模块解决方案。100G光模块的封装格式主要有CFP、CFP2、CFP4以及QSFP28。

CFP最早被提出,短距传输应用100GBASE-SR10标准,长距传输应用100GBASE-LR4。第一代CFP长距传输方案如下,因为电接口能力只有CAUI-10,所以需要内置Gearbox(下图的10:4 Serializer)来实现10 x 10Gbps与4 x 25Gbps电信号的转换。后来随着电信号提升到CAUI-4,第二代CFP(CFP2/CFP4)长距传输方案中不需要内置Gearbox。

 

▲第一代CFP光模块长距解决方案

 

但是,CFP尺寸实在太大了,随着光模块的集成度越来越高,后来的发展方向是把尺寸做小、功耗做低,CFP得以演进到CFP2、CFP4,再到后来出现的QSFP28。相比CFP4,QSFP28的尺寸更小、功耗更低,QSFP28更小的尺寸使得交换机拥有更高的端口密度(典型的形态是每块板卡可以部署36个100G接口)。目前QSFP28是数据中心内部100G光模块的主流封装格式。

 

▲CFP/CFP2/CFP4/QSFP28光模块尺寸对比

 

最后总结一下,关于25G/100G数据中心内部互联光模块如何选择,建议大家不妨参考如下标准:

不超过100米的100G短距互联场景(TOR-LEAF),使用100GBASE-SR4 QSFP28光模块;

100米到500米的100G中距互联场景(LEAF-SPINE),使用100G PSM4 QSFP28光模块;

500米到2Km的100G中长距互联场景(LEAF-SPINE、SPINE-CORE),使用100G CWDM4 QSFP28光模块;

超过2Km的长距互联场景(CORE-MAN),使用100GBASE-LR4 QSFP28光模块。

 

最后附上专业术语解释

本期作者:陈冬林

尊龙时凯网络互联网系统部行业咨询

 

往期精彩回顾  

 

相关推荐:

 

更多技术博文

任何需要,请联系我们

返回顶部

收起
文档评价
该资料是否解决了您的问题?
您对当前页面的满意度如何?
不咋滴
非常好
您满意的原因是(多选)?
您不满意的原因是(多选)?
您是否还有其他问题或建议?
为了快速解决并回复您的问题,您可以留下联系方式
邮箱
手机号
感谢您的反馈!
请选择服务项目
关闭咨询页
售前咨询 售前咨询
售前咨询
售后服务 售后服务
售后服务
意见反馈 意见反馈
意见反馈
更多联系方式